撒上欢乐的小花
庆祝由镭神智能自主研发的
全球首款16通道跨阻放大器集成电路芯片
——LS1716M 芯片
获颁集成电路布图设计专有权证书
从此正式“持证”上岗啦!
远早于“中兴芯片事件”所爆发的业界对于国内芯片的担忧,镭神智能已意识到自主研发激光雷达专用集成电路芯片的必要性,并于去年5月正式发布LS1716M 芯片,成为国内唯一一家自主研发出激光雷达集成电路芯片的企业。如今,LS1716M 已顺利完成流片,并开始在内部推广使用。那么,LS1716M究竟有何过人之处呢?

小小身段集大成
LS1716M芯片是全球首创的16通道集成放大器芯片,它与传统激光雷达芯片最大的不同是集成了接收模拟信号处理的多种功能和配置控制,将高频高带宽模拟晶体管、多级增益可配置低噪声放大器、多路开关选择器和功率控制单元等集成到比指甲盖还小的芯片中,用单颗芯片就可以实现多线束激光雷达模拟接收处理。

△ LS1716M芯片 尺寸:4365um×917um
雷达瘦身降耗功劳大
目前激光雷达的接收模拟信号处理大都采用多个分立元器件设计,而LS1716M芯片完美替代16个分立元器件,16条通道任意可配,不仅极大的缩小激光雷达信号处理电路的体积,而且有效降低了模拟接收处理和整机的功耗。
降本提质人人夸
激光雷达内部结构复杂,每个分立元器件的安装调试耗时耗力,一直以来是激光雷达成本和交货周期的一大制约因素。LS1716M芯片的替代,不仅使激光雷达的安装调试更加简单,量产后可令TOF激光雷达的成本降低三成,还可有效保持16通道信号发射的一致性,使激光雷达的性能更加优秀和稳定。

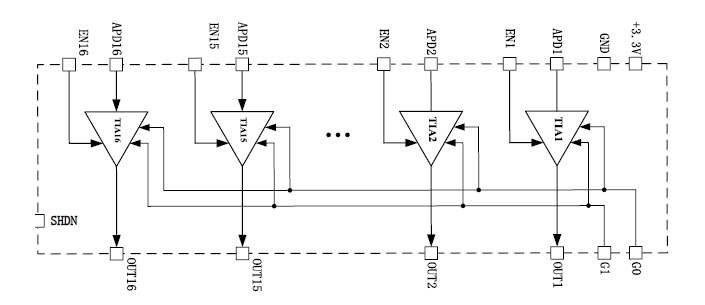
△ LS1716M芯片框图
适配所有TOF激光雷达
作为最制约激光雷达性能的接收端高频模拟芯片,LS1716M适配所有采用TOF测量原理的多线(200/160/128/64/32/16线)、单线、MEMS和OPA激光雷达。
LS1716M芯片
• 电源电压:3.3V
• 输入APD 管的N 极与输入相连,P 极接负压
• 16 通道跨阻放大器
• 单端输入,单端输出
• 四种可编程跨阻放大器增益模式:86dBΩ / 80dBΩ / 74dBΩ / 68dBΩ
• 接收器带宽> 200MHz
• 可接受最小激光脉冲半宽度:3.5ns
• 单通道功耗< 70mW
• 可选通输出,通道切换时间<100ns
• 输出阻抗:50Ω
• LQFP80L 封装
LS1716M芯片的独创性面市,不仅预示着镭神智能在激光雷达接收端专用芯片技术领域走到了全世界领先位置,更是镭神大幅度提升TOF激光雷达产能,大面积解决全球激光雷达市场需求供需失衡、价格昂贵以及供货周期漫长等问题的又一重大举措。
让我们一起见证中国芯——镭神芯,崛地而起吧!
关于镭神智能
镭神智能是全球激光雷达行业的领导者,致力于向全球提供先进的激光雷达(包含TOF200/160/128/32/16线及单线、MEMS固态激光雷达、远距离测绘激光雷达、激光三维成像激光雷达、3D FLASH、相控阵、三角法、相位法激光雷达)、三维激光扫描仪、激光位移传感器、激光灭蚊炮、激光灭蚊机器人、特种光纤激光器等硬件产品;同时,镭神智能紧贴客户需求定制激光雷达整体解决方案(包括激光雷达、SLAM算法、多传感器融合算法、算法板卡等),为无人驾驶、汽车ADAS、智慧交通、服务机器人、物流、测绘、安防、港口、工业等多个领域智能化升级强势赋能。
镭神智能是全球唯一一家同时掌握了TOF时间飞行法、相位法、三角法和调频连续波等四种测量原理的激光雷达公司;是国内唯一一家量产了可用于AGV、服务机器人防撞和机器人自主导航与定位的单线TOF激光雷达整套方案的企业;是国内唯一一家自主研发出激光雷达集成电路芯片的企业;是国内唯一一家自主研发出激光雷达自动化、半自动化生产线,数十倍的提高了生产效率,提高规模化量产能力、提升激光雷达产品性能及稳定性并降低成本的企业;是唯一能自主生产激光雷达用光纤激光器的激光雷达公司。
深圳市镭神智能系统有限公司成立于2015年2月,是全球领先的激光雷达及整体解决方案提供商,致力于以稳定、可靠的激光雷达环境感知技术赋能产业升级,服务覆盖无人驾驶及汽车辅助驾驶、智慧交通、机器人、物流、安防、测绘、港口和工业自动化等八大产业生态圈。秉持着“让驾驶更安全,让机器更智能,让生活更美好”的使命,镭神智能一直以来立足技术核心,用世界级战略眼光和创新能力成长发展,坚持用科技创新改变生活!
凭着深厚的科研实力,镭神智能以完整的研产销一体化经营体系,打造了市面最齐全的激光雷达产品矩阵,不仅是全球唯一一家同时掌握了TOF时间飞行法、相位法、三角法和调频连续波等四种测量原理的激光雷达公司,也是国内唯一一家自主研发出激光雷达专用16通道TIA芯片、激光雷达自动化及半自动化生产线、1550nm光纤激光器的激光雷达公司。
