
新松AGV在运动控制系统需要得到关于AGV机械设备的准确的、实时的信息反馈,如AGV位置、舵角度、AGV速度、货叉高度等信息,用以完成机械设备的自动化控制操作。编码器正是这样一种传感器,它通过光电效应或磁效应原理,将这些物理量信息转换为电信号,传递给AGV控制系统。由于其转换精度高、实时响应、安装连接简单,使得选择编码器成为连接机械部件和AGV电子控制系统的理想选择。
编码器工作原理
1光学扫描原理
光学编码器基于光电效应原理进行工作。一个高性能的LED光源所发出的光线,透过刻有光栅的码盘和与码盘相匹配的遮光片,照射在光电接收器上,码盘则与轴固定连接。当码盘转动时,光线被码盘与遮光片切割,形成明暗相间的变化,光电接收器则将这种变化转换为脉冲或正弦信号。

2磁性扫描原理
磁性编码器基于磁电原理进行工作。一个径向磁化的永磁体被安装在轴上。当轴转动时,磁场随之旋转,磁场的变化被电路板上的传感器芯片检测和处理,求值电路产生了两个相位差为90度的信号,以及一个零位脉冲。

单通道输出
单通道输出编码器用于不需要检测方向的应用。例如:新松AGV检测货叉伸出长度或速度控制等等。

双通道输出
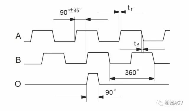
双通道输出编码器带有相位差为90度的A和B两个通道输出信号,可通过比较A、B两相之间的相位差确定旋转方向。适用于需要判定方向的测量应用。例如:新松AGV利用轮编码器的反馈信息来获取AGV是向前行走or向后行走,同时也可以获取当前速度。

三通道输出
三通道输出编码器在双通道A和B的基础上,附件一个零参考信号,每转出现一次。在上电后第一转期间可用作参考信号。

以上信号波形以轴顺时针选择为参考
可提供反相信号
0-脉冲为90度,是A、B的交集
Tr为上升时间
Tf为下降时间
反向信号
当用于电磁干扰严重或长距离电缆传输的应用时,建议使用带反相(互补)信号的编码器。这些信号均可提供给TTL、HTL信号电路输出。
分辨率
对应编码器旋转一周所输出的脉冲数量,根据新松AGV应用技术人员所掌握的情况,目前市面上的编码器最大的分辨率可达25000ppr。
对于线性测量,通过将直线运动转换为旋转形式来实现测量应用。
例如:利用编码器测量轮进行长度测量时,对应测量轮的周长为500mm时,要求的显示步长为0.1mm,那么对应所需编码器分辨率计算参考如下公式:

脉冲频率
编码器的信号输出频率与编码器的当前转速以及分辨率有关,如下公式:

常规增量编码器产品最大允许输出频率为200KHz,高分辨率编码器最大输出频率为2MHz,可用于高分辨率,和较高速度的应用中。
脉冲倍频
双通道编码器由检测脉冲双沿或四沿实现分辨率的2倍频或4倍频。
即一个1000ppr分辨率的编码器使用该技术后可获得4000ppr的分辨率。

输出和供电电压
|
输出 |
反相信号 |
供电电压 |
|
RS422 |
有 |
5VDC |
|
RS422 |
有 |
10-30或5-30VDC |
|
推挽输出 |
无 |
10-30或5-30VDC |
|
推挽输出 |
有 |
10-30 VDC |
|
推挽(7272) |
无 |
5-30VDC |
|
SIN/COS |
有 |
5VDC |
提示:编码器用于强电噪干扰环境和所需电缆较长的应用环境,AGV建议使用带反相信号的编码器。
编码器输出形式
01 RS-422输出
RS-422输出型编码器目前在AGV上很少使用。我们这里介绍一下RS-422。
通常PLC或IPC控制器可提供符合RS422标准的输入卡。此时应选带RS422输出的编码器。通常对于非常长的连接导线,建议使用RS422输出,尤其对于高电噪干扰。RS422也可用于带TTL输入的控制器,但无高抗噪干扰特效。
RS422输出电路和推荐的接收电路:

02 推挽输出
有完整的波阻抗调节功能,推荐使用电缆电阻为40-150Ω
推荐为长电缆传输,高频脉冲频率和30VDC电源输出
有或无反相(互补)信号

推挽无反向信号推荐接收电路

推挽输出(7272)
普通线驱动5-30V,有低电平现在最大为0.5V
推荐线路长度达100米
有或无反相信号

推挽带反向信号推荐接收电路

03 SIN/COS正弦输出
正弦波信号是可被电路进一步处理的电压信号,通过相位差是90度的两路信号倍频可得到更高的分辨率。
为什么选用SIN/COS型编码器?
这种信号非常适合应用在非常慢速运动的数字驱动系统中。比如,Jungheinrich叉车手柄转向编码器。

正弦输出电路和推荐接收电路

04 信号传输距离
电缆长度取决于输出电路和电噪干扰:
|
输出电路 |
最大线缆长度 |
控制器 |
|
推挽输出无反相信号 |
100米 |
PLC/IPC |
|
推挽输出无反相信号 |
250米 |
PLC/IPC ① |
|
RS422带反相信号 |
可达1000米 ② |
PLC/IPC ① |
|
正弦信号 |
50米 |
PLC/IPC ① |
① IPC=工业用PC
② >50米取决于频率
05 电缆屏蔽标准连接方式
电缆屏蔽线与编码器外壳连接,编码器外壳不单独接地。

导读
新松AGV对于一般的正常应用,只要将编码器的屏蔽电缆接地就可以了。
整个系统,包括编码器和信号处理设备都需要接同一个地线上。
在任何情况下,连接电缆都必须被屏蔽并保持远离动力线盒其它产生噪声干扰的设备。
电动机、电磁阀、变频器之类的干扰源,需要在源头抑制它们的干扰。编码器不能和电磁阀、接触器公用一个供电电源,因为这样可能会产生干扰。
在新松AGV一些特定应用中,可能还有安装额外的抗干扰措施,这取决于系统的接地方式和当前噪声源。这些措施将包括屏蔽的电容耦合、安装高频滤波器或者安装暂态保护二极管。
06
编码器电缆弯曲半径

不带低温电缆的编码器
|
电缆∅ |
R1 |
R2 |
温度 |
|
≤7mm |
31.5 mm |
94.5 mm |
T > -20℃ |
|
>7mm |
41 mm |
124.5 mm |
T > -20℃ |
带低温电缆的编码器
|
电缆∅ |
R1 |
R2 |
温度 |
|
≤7mm |
46.5 mm |
139.5 mm |
T > -40℃ |
|
>7mm |
62.3 mm |
186.9 mm |
T > -40℃ |
编码器线路色标中英文对照,依据DIN757标准
|
简写 |
颜色 |
简写 |
颜色 |
|
BK |
黑 |
VT |
紫 |
|
BN |
棕 |
GY |
灰 |
|
RD |
红 |
WH |
白 |
|
OG |
橙 |
PK |
粉 |
|
YE |
黄 |
GD |
金 |
|
GN |
绿 |
TQ |
青绿 |
|
BU |
兰 |
SR |
银 |





2025-05-07 11:57
2025-05-07 11:56
2025-05-06 12:10
2025-04-30 11:45
2025-04-29 14:08
2025-04-28 13:47
2025-04-27 11:23
2025-04-27 11:21
2025-04-27 11:19
2025-04-24 10:42