您的位置:首页 > 产品 > 工业机器人(IR) > 产品详情

无刷电机驱动器

无刷电机驱动器
无刷电机驱动器

  • 品牌:攻关传感
  • 最小起订:1 
  • 供货总量:
  • 发货期限:
  • 有效期至:长期有效
  • 更新时间:2020-05-25 17:39
  • 立即询价

    加入收藏

普通商家

热门推荐

产品详情

产品参数

产品图片


1 概述

本公司研发生产的 BLDC 驱动器是一款高性能,多功能,低成本的带霍尔传感器直流无刷驱动器。 全数字式设计使其拥有灵活多样的输入控制方式,极高的调速比,低噪声,完善的软硬件保护功 能,驱动器可通过串口通信接口与计算机相连,实现 PID 参数调整,保护参数,电机参数,加减 速时间 等参数的设置,还可进行 IO 输入状态,模拟量输入,告警状态及母线电压的监视。

1.1 驱动器参数列表

输入电压

DC18V-50V

工作电流

<=10A

电机霍尔类型

60 度,300 度,120 度,240 度

工作模式

霍尔速度闭环

调速方式

0-5V 模拟量输入,


0-100%PWM 输入(PWM 频率范围:1KHz-20KHz)


内部给定,


多段速 1,


多段速 2,

调速范围

0—6000RPM

保护功能

l 短路:当异常电流大于 50A 时,产生短路保护


过流:当电流超过工作电流设置值并持续一设定时间


后产生过流保护


l 过压:当电压超过 55V 时产生过电压保护。


l 欠压:当电压低于 18V 时产生欠电压保护。


l 霍尔异常:包括相位异常及值异常.

工作环境

场合:无腐蚀性,易燃,易爆,导电的气体,液体,粉尘


温度:-10-55  ℃(无冻霜)


湿度:小于 90%RH(不结露)


海拔:小于 1000m


振动:小于 0.5G, 10hz—60hz(非连续运行)


防护等级:IP21

散热方式

自然风冷

尺寸大小

120*76*33 单位:mm

重量

250g

1.2 特点

l 速度 PID 闭环控制,低速转矩大,

l 调速范转宽,0-6000RPM

l 运行加减速时间可由软件设定,实现平滑柔和运行。

l 驱动器自身损耗小,效率高,温升低,因此体积小,易安装

l 多种速度控制方式,由软件设定。

l 使能,方向,刹车输入信号的极性可由软件设定

l 多种完善的保护功能。

l 内置(可生能


2 接口定义与连接图


各端子在面板上的位置


2.1 控制信号输入输出端

2.1.1 引脚列表

引脚排列及相关名称

端子引脚号

引脚名

定义说明

1

GND

信号地

2

ALM

报警输出(开漏)电流应限制在 20mA 内

3

X1

多段速输入 1

4

PG

霍尔信号异或输出(开漏)电流应限制在

20mA 内

5

X2

多段速输入 2

6

5V

5V 电源输出,输出电流应少于 20Ma

(内部为线性电源,过大电流会导致过热)

7

X3

多段速输入 3

8

SV

模拟信号输入

9

FR

方向控制信号

10

GND

信号地

11

EN

使能信号,低电平有效

12

BK

刹车信号,高电平刹车,正常应接 GND

2.1.2 引脚 X1,X2,X3,EN,BK,FR 对应的内部电路

2.1.3 引脚 PG,ALM 对应的内部电路


2.2 霍尔信号输入端

引脚排列及相关名称



2.3 功率端子

功率端的引脚排列

端子引脚号

引脚名

定义说明

1

GND

电源输入负端

2

VDC

电源输入正端 DC18-50V

3

W

电机相线 W

4

V

电机相线 V

5

U

电机相线 U



2.4 通信接口

驱动器采用串行通信方式与计算机相连。接口为 RS232 电平。必须通过厂 商提供的专用电缆才能与计算机相连。物理接口采用 RJ12—6PIN 的电话插座, 其引脚排列如下图,引脚号对应名称在下表中描述。

RJ12 座引脚图

 

端子引脚号

引脚名

定义说明

1

NC

2

TXD

MCU 数据发送端

3

VCC

5V 电源

4

RXD

MCU 数据接收端

5

GND

6

NC

 

2.5 典型接线图

3 控制端口功能说明

3.1   模拟量/PWM 输入端子 SV

SV 用于模拟量输入或者 PWM 输入端,当在 BLDC_2 软件的输入设置为“模拟输入”或者 “PWM  输入”方式时,该端口输入的量作为速度的给定值,下面是接线图及说明。

3.1.1可调电阻调节模拟输入

可调电阻接线图

图中可调电阻的阻值应在 5K-10K 之前,在接分压电阻时应先确认好电阻的两 端及中间抽头再连接,错误的接法有可能使 5V 电源短路导致驱动器损坏。若连接后, 或在调节分压电阻时,驱动器电源 LED 指示灯变暗或者灭掉,应立即断开驱动器电源, 重新认确电阻引脚后再接。

3.1.2 外部 0-10V 模拟量输入


外部 0-10V 模拟接线图

当 SV 连接外部模拟量输入时,应注意输入的模拟电压应小于 5V,否则有可能损伤 内部电路,高于 5V 时应采用分压电阻分压,以保证分压后的电压最大值小于 5V。

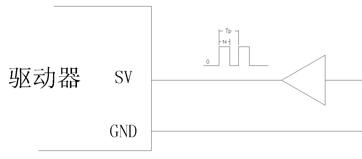
3.1.3 SV 用作 PWM 输入端

PWM 输入接线图

驱动器中的 SV 用于 PWM 输入时,其输入量是开关量,应满 5V 电平要求。该 PWM 是真正的 PWM 输入,并非是 PWM 滤波后转为模拟量输入。该 PWM 输入信号的占空比可 为 0 到 100%任意值, PWM 频率应在 1KHz-20KHz 之间,频率偏向低则 PWM 精度高。建议 PWM 频率设定在 2KHz

3.2   FR  正反转方向控制端子

FR 端子用于控制电机转动方向。FR 端子不同电平切换时会根据加减速时间设 定值,先减速到 0,然后切换方向再从 0 速加度到给定值。如果电机拖动的负载惯量

大,应适当加大加减速时间,否在方向切换时有过流或者电压过高的情况。

3.3   EN  电机使能端子

EN 脚与 GND 的接通与断开可控制电机的运行与停止,只有在 EN 脚与 GND 连 接时其它的操作才能被允许,若断开则电机处于自由状态,其它的操作被禁能。 当电机出现故障时,可以先断开 EN 引脚,然后再接通来清除故障。

3.4   BK  刹车控制端子

当 BK 脚与 GND 脚的断开时, 驱动器将三根相线短路,电机处于制动状态。当 BK 脚与 GND 脚的接通时,电机脱离制动状态。如果电机处于高速或者负载惯量 比较大时,刹车对电气和机械装置产生冲击,损害大。除安全紧急制动外,应避 免此类制动行为。为了减小动作时间,尽量把速度减少到比较安全范围再进行刹 车。

3.5 X1,X2,X3 多段速控制端子 在配置软件中可设置多段速输入模式

多段速模式有两种,分别为模式 1 及模式 2,模式 1 为译码方式,模式 2 为位选 方式。

3.5.1  多段速模式 1

X1,X2,X3 与 GND 的断开或导通可以组合成 8 种不同的状态对应 8 段不同的 速度。通过不同状态的切换实现不同的转速,不同转速过渡按设定的加减速时间 进行。

X1--GND

X2--GND

X3--GND

速度段

闭合

闭合

闭合

速度段 0

用户可设

闭合

闭合

断开

速度段 1

用户可设

闭合

断开

闭合

速度段 2

用户可设

闭合

断开

断开

速度段 3

用户可设

断开

闭合

断开

速度段 4

用户可设

断开

闭合

断开

速度段 5

用户可设

断开

断开

闭合

速度段 6

用户可设

断开

断开

断开

速度段 7

用户可设

多段速模式 1,X1,X2,X3 状态对应不同的速度段

3.5.1  多段速模式 2

多段速模式 2 为位选模式,即 X1,X2,X3 各对应一个速度, 当 X1 闭合时,运行速度段 0 设定的转速,

当 X2 闭合时,运行速度段 1 设定的转速, 当 X3 闭合时,运行速度段 2 设定的转速,

当 X1,X2,X3 有两个或全部闭合时,优先级由高到低排列为 X1>X2>X3,如 X1, X2 同时闭合,则运行速度段 0。X2,X3 同时闭合时,则运行速度段 1。

当 X1,X2,X3 都断开时,运行速度段 3 设定的转速。 切换后不同转速过渡按设定的加减速时间进行。

X1--GND

X2--GND

X3--GND

速度段

闭合

X

X

速度段 0

用户可设

断开

闭合

X

速度段 1

用户可设

断开

断开

闭合

速度段 2

用户可设

断开

断开

断开

速度段 3

用户可设

多段速模式 2,X1,X2,X3 状态对应不同的速度段

3.6   ALM 报警输出端子

ALM 信号输出是三极管开漏输出。当驱动器 发生,短路,过流,霍尔信号错误, 过电压,欠压等异常时,在 ALM 输出低电平。其吸收电流应小于 50mA ,报警输 出电路有如下几种

(1)LED 指示灯输出 (2)数字信号输出 (3)  蜂鸣器输出

3.7   PG 霍尔信号输出端子

PG 信号用于提供电机转速脉冲信号,PG 信号为开漏输出,测试时应在 5V 与 PG

之间加一个 2K-10K 电阻作上拉电阻。 电机一个电周期内将在 PG 信号端输出 3 个脉冲。

机械周期=电周期*极对数

对于两对极的电机旋转一周将产生 6 个脉冲,四对极则为 12 个脉冲。 电机转动时在 PG 端输出的频率与转速关系如下式

电机转速(RPM)=20x PG 信号频率 / 电机极对数

3.8   PWR/ALM  指示灯

驱动器上有两个 LED 指示灯,分别为红色及绿色,红色为 ALM 错误类型指示灯, 绿色为电源指示灯。上电后正常情况为绿灯常亮,如绿灯灭请确认电源是否正常。 红色指示灯通过不同的闪烁次数可指示出不同的状态。如下表所示

LED 灯状态

表示

一直亮

外部或软件禁能

隔一秒,闪烁 1 次

短路保护

隔一秒,连续闪烁 2 次

霍尔值异常

隔一秒,连续闪烁 3 次

霍尔相位异常

隔一秒,连续闪烁 4 次

过流

隔一秒,连续闪烁 5 次

母线电压过低

隔一秒,连续闪烁 6 次

母线电压过高

4 使用操作

安全提示:在连接之前应先看懂连接图,在初次使用或者不熟悉本装置时,应 该使电机与负载断开,以避免错误的接线产生振动等原因对电机与负载的损害。

正确的安装与连接的步骤如下:

(1) 连接 X3 上的各种控制信号线, 驱动使能信号 EN 是必须的。只有 EN 信号为低时(图 中 EN 信号对的开关闭合时)驱动器才能驱动电机。在计算机软件对驱动器配置之前应 为高电平,即 EN 信号对应的开关断开。

(2) 连接电机的相线及霍尔信号线。连接时应先确认电机的相线及霍尔信号线定义。然后 按照定义与驱动器上的端子对应正确连接。错误的接线可能导致上电调试时电机振动 或飞转,异常报警等。

(3) 用专用通信电缆将驱动器与计算机连接,尽量避免上电后多次拔插通信电缆,防止地 电位不等或者静电对接口芯片的损坏。

(4) 连接电源。注意电源的正负极方向。接反后,驱动器电源指示灯不亮,应尽快断开电 源,否则对电源本身及驱动器都有一定损害。

(5) 打开计算机,安装并运行配置软件 BLDC_2,通过配置软件对驱动器适配电机的霍尔 时序,极对数进行设置。设置输入方式为内部给定,点击“配置”输入一定的转速, 建议设置为 300RPM,用于试运行,设置完成后点击“保存 EEPROM”。然后将外部使能 控制信号 EN 开关闭合,驱动器处于开始运行状态,电机转动运行到设定值。若出现 异常则断开使能信号,重新检查连接是否正确,异常情况描述请参考“常见问题”

(6) 正确硬件连接与软件配置后,电机应转动平稳,噪声较低,空载运行时在软件上监视 电流小,且变动小。否则请重新确认连接是否正确与配置是否无误。

    (7) 通过改变 FR 引脚信号切换电机转动方向,