一、产品特性
• 负载50KG,采用自主研发的机器人控制算法,实现各轴联动控制,自动生成最优运动轨迹,效率达到10片/分钟;
• 四轴/五轴可选,灵活度高,可全方位、多角度实现翻转、取废料分装、斜放、码垛等;
• 各轴全部采用高性能绝对伺服系统,线路优化,同时具备断电位置记忆功能,避免原点复位困扰;控制系统内置安全模块,确保联机稳定运行;
• 采用开放式可编程技术,支持运动轨迹编辑,中文示教模拟界面功能操作简单控制灵活,可大容量储存项目信息,互换性强,一次设定即可长期使用;
• 采用知名品牌RV减速机等精密零部件,品质稳定可靠,末端定位误差控制在±0.1mm,故障率低,使用寿命达8-10年(视生产环境及保养情况而定);
• 产品已高度标准化,只需定制抓手(吸盘式、气动式、磁吸式等),安装便捷,交付三天即可量产。
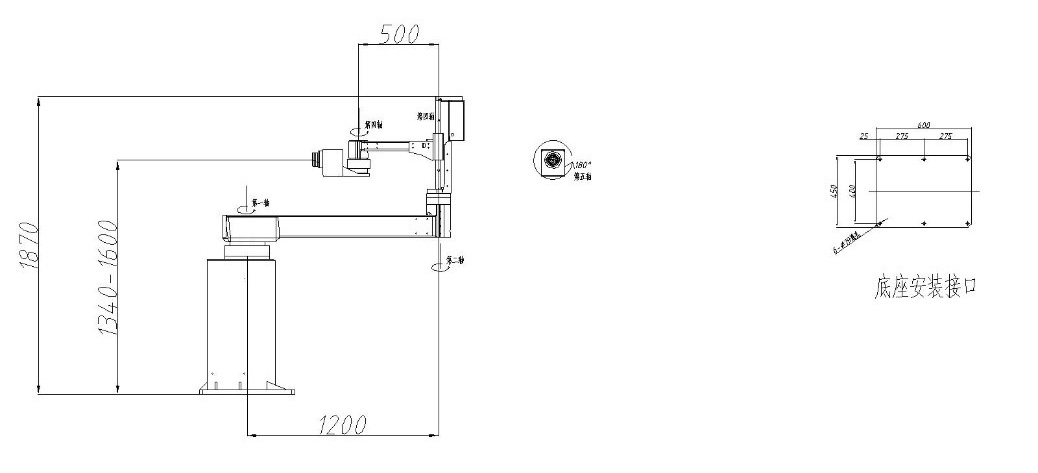
二、性能参数
| 型号 | SY-B50W3 | |
| 结构 | 多关节型 | |
| 关节数 | 5轴 | |
| 放置方式 | 水平放置 | |
| 最大动作速度 | J1轴 | 180°/s |
| J2轴 | 170°/s | |
| J3轴 | 180°/s | |
| J4轴 | 300mm/s | |
| J5轴 | 160°/s | |
| 最大动作范围 | J1轴 | ±170° |
| J2轴 | ±180° | |
| J3轴 | ±180° | |
| J4轴 | 300mm | |
| J5轴 | ±180° | |
| 最大活动直径 | 3400mm | |
| 末端最大负载 | 最大50Kg | |
| 重复定位精度 | ±0.1mm | |
| 机器人底座尺寸 | 550*350 | |
| 机器人高度 | 1870mm | |
| 工作环境温度 | -10—45℃ | |
| 机器人本体重量 | 385Kg | |
| 驱动方式 | AC伺服电机驱动 | |
| 环境湿度 | 95%RH以下(无结露) | |
三、控制柜参数
| 控制柜型号 | SY-E505 |
| 控制柜I/O端口 | 24个数字输入/24个数字输出 |
| 控制柜I/O电源 | 24V |
| 通讯方式 | EtherCat |
| 电源 | AC220V |
| 控制柜尺寸 | 610*490*300 |
| 重量 | 30Kg |
四、图片展示