您的位置:首页 > 产品 > 工业机器人(IR) > 产品详情

天誉 2000N 直流伺服电动缸 DGB10-05-200

天誉 2000N 直流伺服电动缸 DGB10-05-200
天誉 2000N 直流伺服电动缸 DGB10-05-200

  • 品牌:TYT(天誉创新)
  • 最小起订:1 台
  • 供货总量:
  • 发货期限:
  • 有效期至:长期有效
  • 更新时间:2023-01-06 11:36
  • 立即询价

    加入收藏

普通商家

热门推荐

产品详情

产品参数

产品图片

天誉全新DGB10直流伺服电动缸传动装置旨在帮助您节约时间和金钱的同时,为您提供更加卓越的性能,而且更容易调整产品尺寸和选择,快速可靠地完成安装,并减少维护工作。

根据您的需求定制解决方案,可选择行业最长的行程距离,利用适用于600多种伺服电机类型和尺寸的即插即用安装解决方案。利用DGB10直流伺服电动缸优异的功率密度,您可以构建更加安静、更加紧凑的机器。

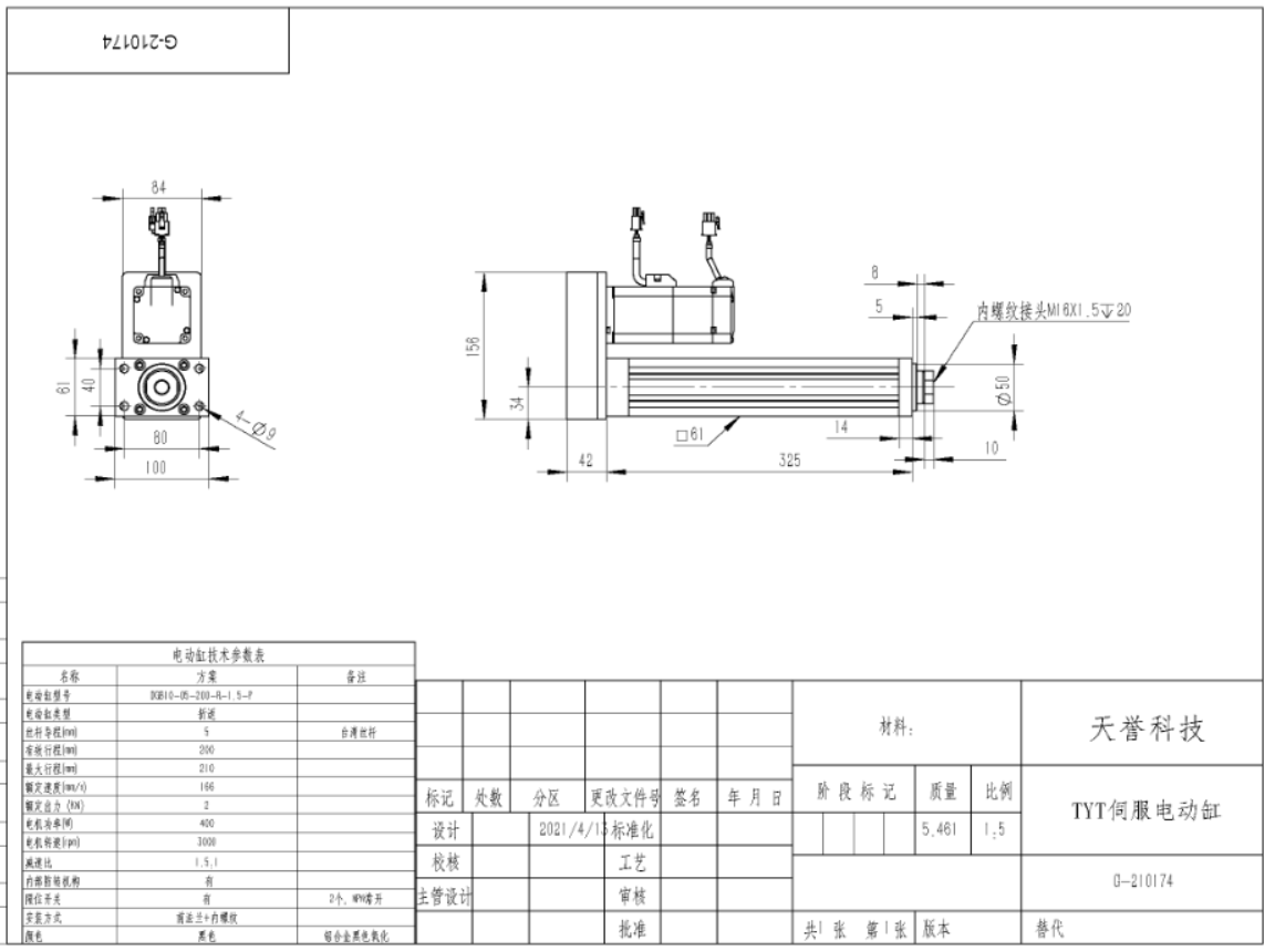
此款电动缸搭配说明:天誉DGB10-05-200-R-1.5-N电动缸+JARRETT直流伺服电机ZSMH0602-4430-T1MD-2KSW,减速比:1.5。

1、DGB10-05-200-R-1.5-N交流电动缸技术参数

• 推力:2000 N

• 行程:200 mm

• 速度:166mm/s

• 螺纹导程:5mm

• 减速比:1.5

• 重复精度:± 0.05 mm

• IP54/IP65/IP67可选,标准是IP54

• 安装方式:双耳尾铰+内螺纹

2、杰瑞特直流伺服电机ZSMH0602-4430-T1MD-2KSW技术参数

电压:DC48V

功率:400W

转速:3000RPM

反馈:17位多圈绝对值编码器 带刹车

注:DGB10直流伺服电动缸可选配步进电机、增量编码器伺服电机、旋转变压器伺服电机和绝对值编码器伺服电机,同时可以定制-40度恶劣环境下的低温电动缸。

3、DGB10-05-200-R-1.5-N 直流伺服电动缸安装尺寸