您好,
欢迎访问
无人系统网
!
帐号管理
收藏夹
退出
消息
0
请登录
免费注册
手机关注
微信号:youuvs
关注官方微信
m.youuvs.com
手机扫码看新闻
我的办公室
销售
发布产品
管理产品
求购
发布求购
管理求购
添加收藏
关于我们
广告服务
广告服务
关键词排名
会员升级
帮助中心
常见问题
买家帮助
卖家帮助
问题反馈
网站导航
资讯
公司
产品
品牌
采购
展会
视频
招聘
求职
专题
资讯
资讯
公司
产品
品牌
采购
展会
视频
招聘
求职
专题
搜索
发布询价单
首页
资讯
公司
产品
品牌
采购
展会
视频
招聘
求职
专题
地图
工业机器人
服务机器人
特种机器人
军事机器人
无人船
无人汽车
无人机
人工智能
物联网
前沿技术
您的位置:
首页
>
产品
>
工业机器人(IR)
> 产品详情
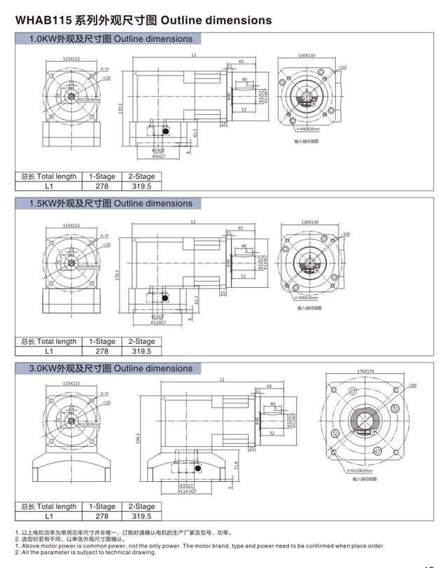
WHAB 系列精密行星齿轮减
品牌:
最小起订:
1
供货总量:
发货期限:
有效期至:
长期有效
更新时间:
2020-05-25 17:40
立即询价
加入收藏
普通商家
杭州行星传动设备有限公司
经营模式:
零部件制造商 整机制造商
地区:
中国浙江省杭州市
进入店铺
联系方式
分享到:
热门推荐
CCROV水下机器人
Seaeye Falcon & Seaeye Falcon DR
斯卡特 SYSROV T1000
思展科技 水下自主式无缆机器人(AUV)
鼎飞航空DF-C400无人船
中海达 iBoat B1智能无人测量船
中电科安 SECMAX 巡航者SurfPro 无人船系列
绿高环境 C135型水文测量无人遥控船
云洲智能 ME120无人船平台
大洋经略 新一代智能水下机器人ROV Sea-Wolf 5
企业推荐产品
更多>
轴承
WHAB 系列精密行星齿轮减
PL/PF系列精密行星齿轮减速机
WPL/WPF系列精密行星齿轮减速机
产品详情
产品参数
产品图片