您的位置:首页 > 产品 > 工业机器人(IR) > 产品详情

GR600工业机器人

GR600工业机器人

普通商家

热门推荐

产品详情

产品参数

产品图片

GR600工业机器人

Industrial Robot


特点

具有自主知识产权的六关节工业机器人; 

轻量化、小型化,便于安装维护;

开放式底层控制系统;

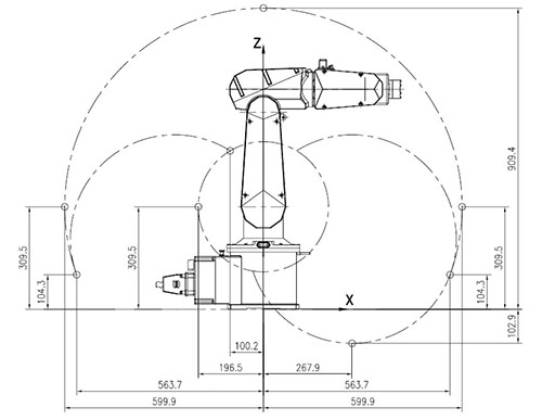
负载5Kg,重复定位精度达0.01mm,可根据用户需要定制,满足特种需求。


应用领域

应用于生产线、物料搬运、抓取、零部件检测、教育、科研等领域。


性能参数