●高速搬运
瞬时最大处理能力1,800袋/h( 搬运130kg时)
与以往相比,提高了 20%
通过大容量电机以及对运动控制的最佳强化,実现高速性能
※动作方式:垂直方向400mm,水平方向2,000mm直线动作,60˚旋转动作
●装载灵活
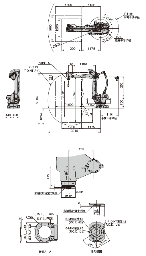
能够在较大的动作范围内,自由配置各种形状和大小的装载物(托盘区域尺寸: □1,600mm 时最多可装载至2,212mm)
可通过适合装载物的抓手(选购件)来实施搬运作业
●节省空间
拥有大范围的工作半径的同时有效地控制了干渉空间实现紧凑且灵活的机体设计
●操作简单
采用対话型示教,设定简単
通过作工程序自动生成功能,简化了复杂的示教作业
●适用的控制装置
FD11
外形尺寸及动作范围
![]()
(*1) 本产品的额定功率,规格,外部尺寸等如需改良而变更,恕不另行通告。
(*2) 如果本产品的最后使用者与军事相关,或用于兵器等的制造,可能成为“外汇及国际贸易法”规定的出口限制的对象。出口时,请进行充分的审查和办理所需的出口手续。
| 机器人型号 | LP130F-01 |
| 结构 | 关节形 |
| 关节数 | 4 |
| 驱动方式 | AC伺服方式 |
| 最大动作范围 | 臂 | J1 | 旋回 | ±3.14rad (±180°) |
| J2 | 前后 | +0.71 ~ -1.65rad (+40 ~ -94.5°) |
| J3 | 上下 | +0.30 ~ -2.04rad (+17 ~ -116°) |
| 手腕 | J4 | 回转 | ±6.28rad (±360°) |
| 最大速度 | 臂 | J1 | 旋回 | 2.53rad/s (145°) |
| J2 | 前后 | 2.01rad/s (115°/s) |
| J3 | 上下 | 2.01rad/s (115°/s) |
| 手腕 | J4 | 回转 | 9.34rad/s (535°/s) |
| 最大可搬质量 | 手腕部 | 130kg |
| 第1手臂部 负荷 ※1 | 25kg |
| 手腕容许 最大惯性力矩 | J4 | 回转 | 50kgm2 |
| 位置反复精度 ※2 | ±0.3mm |
| 使用空气压力 | -101.3 ~ 690kPa |
| 空气软管 | 2-φ12x8 (至手腕部) |
| 应用程序用信号线 | 20芯(至手腕部) 6芯(至第1手臂部) |
| 设置方法 | 地面安装 |
| 设置条件 | 周围温度:0~45°C 周围湿度:20~85% RH(无结露) 安装面的容许振动:0.5G以下 |
| 本体质量 | 1,150kg |
1[rad] = 180/π[°],1[N・m] = 1/9.8[kgf・m]
※1 安装场所因手腕负荷质量变化。
※2 依据“JIS B 8432”。
※3 在海拔1,000m以下使用。超过容许高度时,周围温度受到限制。