DCS交流异步电机控制器

|
|
|
产品概述:松正DCS交流电机控制器,采用TI公司TMS320F2XXX系列的电机专用处理器,处理速度更快,功能更强大,通过先进的控制软件算法保证了电机的平稳运行,包括全速和大扭矩状态下的再生制动,专用的输入/输出端口以及上位机故障诊断软件,保证了整车匹配的方便性和实用性。
应用范围:松正交流电机控制器适用于所有电动车辆,如:高尔夫球车,旅游观光车,电动托盘车,及电动轿车等各种电动车辆。
技术参数:

注:此控制器型号命名规则于2015年9月7日升级,具体型号以销售发货为准。
产品特点:
1、采用TI公司TMS320F2XXX系列的电机专用处理器,处理速度更快,功能更强大,各种保护功能完善;
2、采用英飞凌功率管,性能优良,内阻4.2mΩ,且寄生参数小,提升了功率管的开关速度,使得开关损耗和导通损耗都变小,发热量降低;
3、高脚踏保护功能,避免飞车和意外启动车辆;
4、自身故障诊断,支持上位机监控、LED报警显示及蜂鸣器报警提示;
5、具有高低速切换模式,可以限制最高车速,使车辆在不同环境下有不同的运行特性;
6、更好的兼容性,支持CAN通信,整车线束可以不用更改直接换控制器以及仪表;
7、更全面的产品验证,松正有自己的实验中心,有全面的设备进行试验,包括测功机、功率分析仪、振动台、高低温箱、淋水试验箱、沙尘试验箱、盐雾试验箱、跌落试验台等先进的实验设备,能充分保证产品的质量;
8、可选电磁刹车功能,更好的刹车效果,在车需急刹车时,电控能进行及时的刹车,控制器会进行判断,不会按照正常的减速率,不会出现刹车松开以后车还会向前冲的状况;
9、先进的脉宽调制技术,保证了电池被高效率的利用,减少了电机能耗和扭矩转换的损失;
10、可调的欠压保护模式,使整车在欠压后的感受更灵活;
11、温度保护和补偿电路提供了低温消减, 恒定电流限幅及高温线性回落功能,在高、低温度条件下都不会发生突然性功率输出中断。
产品外形尺寸:

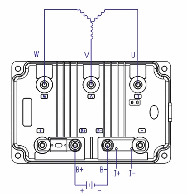
接线图:
