您好,
欢迎访问
无人系统网
!
帐号管理
收藏夹
退出
消息
0
请登录
免费注册
手机关注
微信号:youuvs
关注官方微信
m.youuvs.com
手机扫码看新闻
我的办公室
销售
发布产品
管理产品
求购
发布求购
管理求购
添加收藏
关于我们
广告服务
广告服务
关键词排名
会员升级
帮助中心
常见问题
买家帮助
卖家帮助
问题反馈
网站导航
资讯
公司
产品
品牌
采购
展会
视频
招聘
求职
专题
资讯
资讯
公司
产品
品牌
采购
展会
视频
招聘
求职
专题
搜索
发布询价单
首页
资讯
公司
产品
品牌
采购
展会
视频
招聘
求职
专题
地图
工业机器人
服务机器人
特种机器人
军事机器人
无人船
无人汽车
无人机
人工智能
物联网
前沿技术
您的位置:
首页
>
产品
>
工业机器人(IR)
> 产品详情
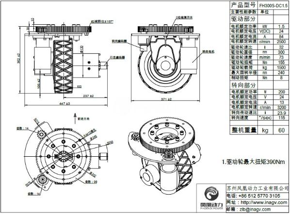
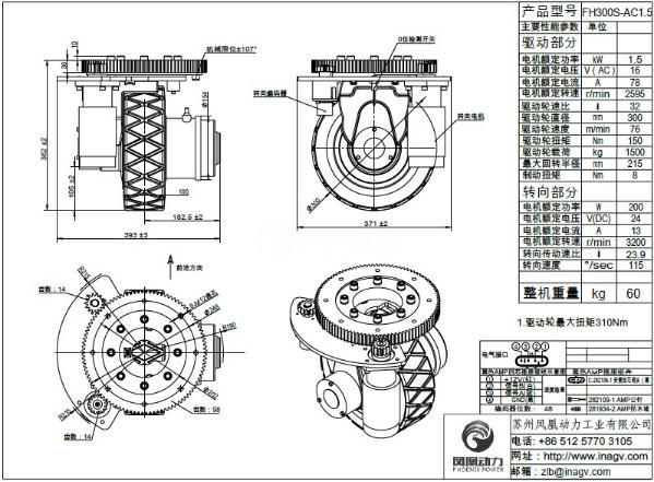
凤凰动力 FH300S/4kw/AGV驱动舵轮总成系统
最小起订:
1
有效期至:
长期有效
更新时间:
2020-05-25 17:25
立即询价
加入收藏
普通商家
认证商家
苏州凤凰动力工业有限公司
经营模式:
整机制造商 零部件制造商
地区:
中国江苏省苏州市
进入店铺
联系方式
分享到:
热门推荐
大洋经略 新一代智能水下机器人ROV Sea-Wolf 5
云洲智能 ME120无人船平台
绿高环境 C135型水文测量无人遥控船
中电科安 SECMAX 巡航者SurfPro 无人船系列
中海达 iBoat B1智能无人测量船
鼎飞航空DF-C400无人船
思展科技 水下自主式无缆机器人(AUV)
斯卡特 SYSROV T1000
Seaeye Falcon & Seaeye Falcon DR
CCROV水下机器人
企业推荐产品
更多>
AGV舵轮,AGV驱动轮总成
AGV驱动轮舵轮,舵轮潜伏式AGV小车
潜伏式AGV小车,单舵轮方案,双舵轮方案
潜伏式AGV小车驱动轮组总成
驱动轮
凤凰动力 AGV舵轮|AGV驱动轮|AGV驱动总成FH150S
凤凰动力 FH180S舵轮伺服驱动轮总成
凤凰动力 FH250S/AGV驱动舵轮总成系统
产品详情
产品参数
产品图片